If you have completed the previous lessons in this level,
you now have the tools to create a large variety of objects in
3D. This lesson is designed to show how to create simple building
in 3D from start to finish. The same process can be used to build more complex buildings as well.
Below is an image of the final building that is explained in
this lesson.

Start by setting your units to architectural (DDUNITS).
Remember to create new layers for each type of objects you will
draw (windows, doors, walls, roof, etc). Also use the "Render > Visual Styles > Realistic" option when adding materials.
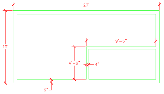
Now draw the bases of the walls using the dimensions
are shown below. You don't need to dimension it. Optionally, you can use the (new in AutoCAD 2007) POLYSOLID command.

Now you will create regions out of all your wall lines.
Command: REG REGION
Select objects: <SELECT ALL THE
LINES> Specify
opposite corner: 7 found
Select objects: <ENTER>
3 loops extracted.
3 Regions created.
You should now have 3 regions. If you don't then it usually
means the your lines don't meet.
Next you are going to EXTRUDE the walls 9' high.
Command: EXT EXTRUDE
Current wire frame density: ISOLINES=4
Select objects: <SELECT THE 3 REGIONS> Specify opposite corner:
3 found
Select objects:
Specify height of extrusion or [Path]: 9'
Specify angle of taper
for extrusion <0>: <ENTER>
It should appear that nothing has happened. You will need to
go to the SW Isometric view to see how
the wall were extruded. Do this and then use the HIDE Command.
Something doesn't look right. What you will need to do is Subtract the
2 smaller regions from the larger region. You should see this result
after the Subtract and Hide commands.

Now it's starting to look like something. Your walls are almost
complete.
Next you will add a door or two. The first door, on the outside
will be on the bottom left wall. Start by drawing a rectangle
from the middle of the outside wall and the other corner @6,36 - this will create the opening. Your rectangle should look like
this:

Now you want to EXTRUDE the rectangle
up 6'8" and SUBTRACT it from the wall.
Create a door layer (or make it active if you already have one)
and draw a rectangle in the door opening that is 3"x 3' - put
it in the middle of the door opening. Extrude it 6'8".
Now create a second door (and opening) on the inside wall parallel
to the outside wall that is 32" wide. After you do that,
the drawing should look like this from the SW Isometric view:

If you haven't saved your drawing yet, now would be a good time.
Now you're going to add some windows. This will be done using
a similar process as the door. You will create openings, then
add the window.
Create 2 rectangles in the position shown below.

EXTRUDE the window 36 inches. Them move them up 3'8" in the
Z axis. Remember your relative coordinates from Lesson
1-1?
Command: M
MOVE
Select objects: 1 found
Select objects: 1 found, 2 total
Select objects: Specify base
point or displacement: <PICK ANYWHERE ON SCREEN>
Specify second point of
displacement or <use first point as displacement>: @0,0,3'8
Now mirror the bottom
left box to the opposite wall (Note: It will
be easier if you revert to the top view for the mirror command)and
the upper box to the inside wall so you have the 4 boxes looking
like this :

Next, subtract the four window openings from the walls. After
switching to SW Isometric view and using the hide command, your
drawing should look like this:

Now the window panes have to go in. Since this is a simple drawing,
you just be putting in a plane of glass to represent the window.
Create a new layer for windows. The easiest way to do this is
just like you created the doors. Make the window 1" deep. Once
again, start with the rectangle at the base of the window opening,
extrude it the height of the window opening and move it into
the centre.
Once you have one window made, copy it to the other openings.
Save your drawing and then type in SHADE and choose the G option.
Your building should look like this:

Wow - now you're getting there. Next you will add to the walls
to make them the right pitch for the roof.
First you will have to change your UCS.
Start he UCS command and choose
the 3Point option by typing 3 <ENTER>.
When prompted (watch the command line) select the points shown
below:

After you pick the third point, the cursor should turn on its
side. Now you can draw on the side of the building. In this case,
you will be drawing a triangular shape to represent the rest
of the wall up to the roof.
Draw a LINE from the middle of
the top outside of the wall up 6'. Then draw a POLYLINE from
one corner, to the next, to the top of the line and use the C option to close the polyline.
Finally EXTRUDE the triangle -6"
and then COPY the extruded object
to the other side of the building. Erase the vertical line you
drew. You should have something like this now:

To finish the wall, perform a UNION (Lesson
3-11) between the triangular sections and the bottom wall.
You're almost done now. You will need to draw the roof to complete
the drawing.
First you will need to change your UCS to
align it with the slant of the roof. Use the points shown below
- and be careful which endpoints you select.

Now draw a RECTANGLE from the top left corner of the triangular
shape to the bottom of the opposite corner of the other triangular
shape. It should like the magenta rectangle below:

New EXTRUDE the rectangle
6". Then copy 12" down
in the Y Axis and then copy it 12" up in the Y Axis - when
you have the 3 sections UNION them
into one object.
Change back to the WCS (UCS <ENTER><ENTER> ) and
mirror the roof object to the other side. Check that it looks
correct by viewing the model from the left and from the front.

The last thing to do is trim the excess pieces
off the top of the roof where the two slabs intersect. This will
be done using the SLICE command (Lesson
3-11).
Go to the SW Isometric view.
Start the SLICE command
and select the roof section towards the back. Then when you are
asked to pick three points on the slicing plane, select any three
points on the top of the roof section at the front.
Switch to the NW Isometric view and slice other
roof section in the same manner. Check to see that your roof
looks correct, and if it is, union the two roof objects
now.
Go to the WCS and copy the roof 12" in
the Positive X Axis and 12 " in the Negative X Axis and then union
all 3 roof objects. Your building should now look like the one
below:

Your building is complete. To add a lawn , draw a very large rectangle around the house at the same Z level as the bottom of the house. Then turn it into a region so that materials can be added later.
Save the drawing, then
if you like, add materials and render the final image. In the
image at the top of the lesson, the door is detailed material. More detailed instructions for rendering will be found in Lesson 3-17.
Here are the materials used for the rendering
at the top of the page. You can download them and add them to
your Textures folder. The door texture would be used like the stop sign you may have rendered in lesson 3-14.
door.jpg | grey_roof_slate.jpg | grass.jpg | stucco_white.jpg
You can also try to add more detail to the building
if you like. But now you can see that using a few commands (in
this case about 12), you can draw decent looking models.
Extra Practice: Build a 3D model of the Cabin Drawing from Lesson 2-1. How much detail can you add? Door knobs? Window panes?
|