Now that you've learned a lot of the drawing and modifying commands,
it's time to go to the next level. This lesson will introduce
you to text, dimensioning and the concept of layers. Without dimensions you can not communicate what size your objects are. Is it a real house or a doll house? Text is used to convey information that is needed other than size - materials, manufacturing process, part numbers, etc.
What you
will do is take one of your previous assignments, save it to
a new name and then add text and dimensions to it. These are
the commands you'll be learning.
Command |
Keystroke |
Icon |
Location |
Result |
Layer |
Layer
/ LA |

|
Home > Layers |
Starts
the Layer and Linetype property dialog box |
Text |
Text |

|
Home > Annotate > Single
Line Text |
Creates a single line of text |
Dimension |
Dim |
Many |
Home > Annotate > Dimension > (pick
one) |
Dimensions previously drawn objects |
Scale |
Scale / SC |

|
Home > Modify > Scale |
Proportionately
resizes (or scales) objects |
Begin by opening up Assignment
#5 from your CAD folder.
Using
the SAVE AS option,
immediately save it under the name Assign6.dwg
Click HERE for
the GIF version of the file.
Click HERE for the
DWG version.
The first thing you want
to do is create three layers.
Layers are used to organize drawings. Imagine a large project
for a high-rise tower. The designers would create layers for
the electrical, plumbing, landscape and more. It is necessary
to control the drawing and turn some layers off and view only
the ones you want. This is one reason why layers are needed. When you go on to use AutoCAD professionally, every drawing you deal with will have layers.
You will be creating
a layer for the dimensions, one for the objects (lines that
were drawn) and another for the text. Start the LAYER command (LA).
This will bring up the Layer Properties Manager Palette (shown below).
We'll cover the things that are used in this lesson.

Looking
at the Dialog Box, you will see a lot of information.
From left to right, this is what the columns are for (not everything is used in this level).
Status |
This column has a green check to indicate the current layer (all new objects will be drawn on that layer). Double click here to make the layer current. |
Name |
Give the layer a good, descriptive name (but not too long) |
On |
Turns the visibility of that layer on (visible) or off (invisible) |
Freeze |
Similar to 'On', but can be used in Viewports (later tutorial) |
Lock |
Retain visibility, but disable modifying objects on the locked layer. |
Color |
Used to select the color for objects drawn on each layer |
Linetype |
Used to select the linetype for objects drawn on each layer |
Lineweight |
Used to select the lineweight for objects drawn on each layer |
Plot Style |
Plot styles are used to define how objects are plotted - this can be different from the properties described above. |
Plot |
Set the layer to either plot (on) or not (off) |
New VP Freeze |
When on, it will freeze the selected layer in new viewports when they (viewports) are created |
Description |
Use this to give a description to your layer system - very important when working with other users. |
Now
you have the dialog box on your screen, click the 'New' button .
This will create a new layer and give you an opportunity to
name it. Name this layer TEXT.
Click on the small box towards the right and select yellow for
the color. Create another layer and call this one DIMS (for
dimensions), and make its color red.
Finally, create a third layer and call it OBJECT and
make its color green. You have just created
three new layers in your drawing. Highlight the TEXT layer
and then press the 'Make Current' button . This makes the TEXT
layer current and anything you draw will be placed on that
layer. Your Dialog box should look like the one above. If it
does, press OK to
close the dialog box.
Now that you have your layers, select all your objects and then look for the layer tool panel. There is a droplist there with all of your layer names. With your objects selected, change the layer to OBJECT. If all went well, your lines and circles will now be green and on the object layer.

ADDING TEXT
A later tutorial will discuss text in more detail, but for now see what is involved in adding text. TEXT
is your current drawing layer now, so what you will be doing
is creating some text now. Type in TEXT on
the command line. Look at the command line.
Command: TEXT
Justify/Style/<Start
point>:
The
first thing AutoCAD wants is a starting point for the text.
Type: 0,0 to
place it at the bottom left corner of your drawing. Notice
that there are other options you could make, but ignore them
for now.
Height <0.2000>: <ENTER>
Next,
AutoCAD wants to know how tall you want your letters to be.
For this assignment, you want them to be 1/4" tall. Type in .25 at
the Height prompt.
Rotation
angle <0>: <ENTER>
One
more thing before you start typing in text, tell AutoCAD if
you want to have your text rotated. Not this time, so press <ENTER> to accept the default of 0 degrees.
Text: (YOUR NAME - ASSIGNMENT #6)
Finally
you can type in what you want to put on the drawing. At the
prompt, type your NAME and ASSIGNMENT
#6 then
press <ENTER>.
You will see that AutoCAD has placed your name
in the bottom left corner at 1/4" high and in yellow on the
'Text' layer.
You
don't really want your name jammed into the corner like that
so move it up and over 1/8" (Remember your MOVE command
and relative points : @.125,.125)
Now it's time to start dimensioning your drawing. Bring up the
Layer dialog box and make DIM your current layer.
This is one time when I recommend to use the icons. Dimensioning
is A LOT easier this way. If you don't see your dimensioning
toolbar on the screen, right click on one of your toolbar icons
and check the Dimension checkbox. You'll see the toolbar appear.
Close the Toolbars dialog box.
There are several different types of dimensions, here are the
ones you'll be using in this lesson (Each of the dimensioning
icons gives you a quick clue as to which type of dimension it
will create.) The image below shows you the standard dimensioning
icons. This list below shows you which dimension types
are available on the Dimension tool panel.

Here are the ones you'll be using in this lesson.
Linear dimensions
are used for dimensioning either horizontal or vertical distances.
Aligned dimensions
will measure the actual length of an angled line.
Radius dimensions
will give you the radius of either arcs or circles.
Diameter dimensions
are used on circles.
Angular dimensions
will measure the angle between two lines that you pick.
Baseline dimensions
are a special type that will automatically stack dimensions
along one plane as you pick points.
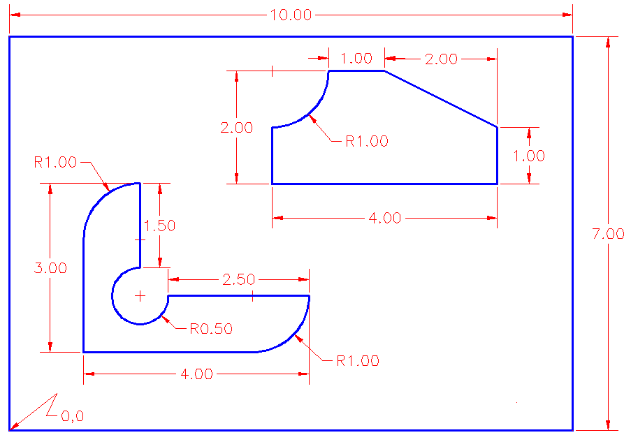
Once you have your objects drawn, you need to go to the menu at the top of the screen and click on Annotate. This will show the Dimension tool panel as well as the text panel and others.

The
type of dimension you pick will depend entirely upon what information
you want to convey to the person reading the drawing. Look
at the sample drawing and pick out the different types of dimensions
and where they are used.
We'll
start with the most common (and easiest): Linear Dimensions.
You'll use this type to add dimensions to the rectangle in
the bottom left of your drawing. Pick on the icon and then
look at the command line.
Command:
_dimlinear
Specify first extension line origin or <select object>:
It asks for either the origin of the first dimension line (a starting
point) or you can press <ENTER> to select a particular
line. Turn your OSNAPS on to endpoint only. Pick the
top left corner of the rectangle. AutoCAD then asks for the
second extension line origin. Pick the top right corner. You'll
then see the dimension appear and AutoCAD asks for the Dimension
line location. Pick somewhere just above the line where
you think it fits well.
AutoCAD then shows you the length that it found to be the length of
the line you just dimensioned. The following lines show what
you should have seen on your command line:
Specify second extension line origin:<SELECT
TOP RIGHT CORNER>
Specify dimension line location or
[Mtext/Text/Angle/Horizontal/Vertical/Rotated]:<PICK
ABOVE THE LINE>
Dimension text = 3.000
Now
dimension the line on the left side using the same method.
Now
you want to dimension the radius of the fillet on the object
above the first box. Pick the icon for radius dimension.
AutoCAD asks you to select an arc or circle. Pick the arc on
the top left corner. Again AutoCAD then wants you to pick the
dimension line location. Pick anywhere outside the arc where
the dimension fits well.
Looking
at the top left object on the sample sheet, notice that there
are a few ways to dimension the corners. Start on the bottom
left. Pick the Linear Dimension icon. Instead
of picking the two endpoints, press <ENTER> and AutoCAD
will ask you to select the object you want to dimension. Pick
on the angled line in the bottom left corner. As you move your
cursor around, you'll see that you could place it either to
the left or below the line. Choose one or the other and place
your dimension. Repeat these steps to add the other dimension.
At
the top left, you want to add an Aligned dimension.
Pick the icon for this. As with the linear dimensions, you
can either pick the endpoints or press <ENTER> to choose
and object. When you're asked to place the dimension, you'll
see that you can only move parallel to the line that you picked.
Place the dimension line somewhere outside the object.
Now
you're going to dimension the angle on the bottom right corner
of the top box. Pick the Angular dimension icon.
Pick the bottom line and then the angled line in the bottom
right corner. Place the dimension so that it looks like the
one in the sample.
Now
its time to dimension the circle. Pick the icon for the Diameter
dimension. AutoCAD then wants you to select the arc
or circle. Pick anywhere on the circle. Then you have to place
the dimension line somewhere. Pick a good spot for it.
Dimension
the 1" line in the circle as shown using a linear dimension.
Dimension
the top left box of the array as shown using Linear dimensions.
Dimension
the space (0.75) between the two rows by picking the endpoints
of the lines.
Dimension
the space (0.75) between the columns as shown.
Now
for the tricky part. You want to add baseline dimensions to
the column distance dimension you just created. Pick the icon
for the baseline dimensions. Look at the command line:
You
may be asked to select the base dimension. If so, pick on the
0.75 dimension for the column. Then you're asked to Specify
a second extension line origin. Pick where P1 shows
you on the sample drawing. AutoCAD then will get you to keep
repeating this process until you press <ENTER> to end
the command. Pick near P2 to continue, then press <ENTER>.
This is what your command line should have looked like:
Command:
_dimbaseline
Select
base dimension:
Specify
a second extension line origin or (Undo/<Select>): <pick
P1>
Dimension
text = 1.50
Specify
a second extension line origin or (Undo/<Select>): <pick
P2>
<Dimension
text = 2.00
Specify
a second extension line origin or (Undo/<Select>): <ENTER>
Your
drawing should now look similar to the sample drawing. Check
to see if you missed any dimensions.
Now
you have dimensioned the drawing, save it and print it.
Next
you want to copy everything over 12" to the right. Start the COPY command,
and when asked to select objects, type ALL <ENTER>.
Then copy it all 12" to the right.
What
you want to do next is scale the copy of everything to double
its existing size. Start the SCALE command.
When asked to select objects, draw a window around the new set
of objects and press <ENTER>. When asked for a base point,
pick the bottom left corner of the border. Enter 2 for
the scale factor. Your command line should look like this:
Command: SC <ENTER>
SCALE
Select
objects: Other corner: 38 found
Select
objects:<ENTER>
Base
point:<Pick the Bottom Left Corner>
<Scale
factor>/Reference: 2 <ENTER>
Perform
a Zoom Extents (type Z <ENTER> E <ENTER>) at the command line. Now that everything is twice as large,
Zoom in on your dimensions and you'll see that they have automatically
adjusted to the new sizes! This is called associative dimensioning.
There
are many different parameters you can change to get just the
right look for your dimensions and text (use the DDIM command).
This is will not be covered in this course.
For
practice, you can try dimensioning some of your other assignments.
Even if your drawing is 100% accurate, it is still only as good as the dimensions. Some common mistakes when dimensioning are:
-
Not using your Osnaps. If you don't get the exact endpoint of a line, then your dimension is wrong.
-
Snapping to the wrong point. In detailed drawings, this can be easy to do if you aren't paying attention.
-
Incomplete dimensions. If you miss one or two dimensions, you can delay the project while these numbers are located, new drawings made, delivered, etc..
-
Confusing dimensions. Make sure that your dimensions don't overlap, or aren't too close, or otherwise unclear.
- If you are drawing other objects and your dimensions are not the right size, check out this info about the DIMSCALE setting.
For dimensioning practice, dimension the extra lessons from the previous lessons. Also put objects and dimensions on separate layers.
|